🪴 Cyril
搜索
Search
暗色模式
亮色模式
阅读模式
探索
Home
❯
03 计算机组成原理
❯
集成计数器
集成计数器
2024年5月21日
1分钟阅读
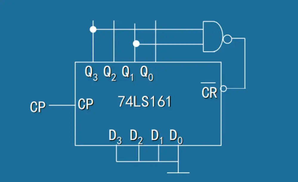
所以有两种方法计数:同步和异步(模十为例)
同步:
异步:
级联
关系图谱
最近笔记
信源熵
2025年6月04日
学习方法论
2025年6月04日
反向链接
序列发生器
计数器